进芯推出基于ADM32F036A3Q的汽车电子水泵控制方案
电子水泵作为车载热管理系统的关键执行部件,是实现整车热循环与精确散热的核心装置。当前行业主流方案普遍采用基于BLDC(无刷直流)电机的驱动架构,其对电机转速的连续平滑调节能力、高精度控制性能以及综合成本优势,已成为该领域方案设计与选型的重要评估维度。
针对以上市场需求,进芯电子推出基于ADM32F036A3Q DSP主控的汽车电子水泵解决方案,适用于40-400W/12V功率场景。该方案采用PWM/LIN通讯与单电阻FOC控制,在确保精确调速与实时故障诊断的同时,可以大幅简化系统设计并降低成本。

▲电子水泵
ADM32F036A3Q主控芯片介绍
ADM32F036A3Q 是面向电机控制的32位DSP车规级改进型,集成LDO、电荷泵和6NMOS 预驱,搭载100M主频32位DSP处理核+CLA,增强型控制外设,CAN、CANFD、LIN(带收发器)、SPI、HRCAP 模块,12位ADC,电压比较器、温度传感器;可构成高集成度电机控制驱动核心,直接驱动功率管完成电机控制,支持有感、无感、方波、弦波等多模式。

▲ ADM32F036A3Q电机控制相关资源
同时, ADM32F036A3Q支持JTAG在线仿真,支持串口SCI方式的最低仅需四线的快速烧录模式。

▲ 芯片引脚定义排布图
ADM32F036A3Q应用优势
ADM32F036A3Q是一款高度集成的高性能BLDC/PMSM控制器,封装为QFN56,通过AEC-Q100车规认证。用户在设计电机控制系统时可实现优的性价比,ADM32F036A3Q内部集成了六路 NMOS Pre-Driver,电荷泵,运算放大器,PGA,比较器,高速ADC,CAN/CANFD,SCI,SPI和LIN控制器+收发器等模块。同时,采用高性能32位CPU,内嵌 128KB Flash, 最高工作频率为100MHz,可满足高性能无刷电机控制的应用要求,并简化系统硬件成本。适用于BLDC/PMSM电机方波、SVPWM/SPWM、FOC 驱动控制。
硬件模块介绍
电路模块主要包括: 输入防反母线电容输入部分、ADM32F03A3Q最小系统、功率桥电路、ADC母线采样电路、单电阻采样运放采样电路和PWM/LIN通讯反馈电路。
• 输入防反母线电容输入部分
输入通过N管,实现防反功能。使用CE4、L1和CE2,构成π型滤波。能有效减少电源的干扰。
▲ 防反母线电路
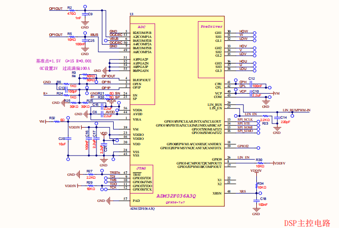
• ADM32F036A3Q最小系统
ADM32F036A3Q最小系统如下图所示,包含JTAG接口、SPI、LIN/PWM输入等。
系统自带的运放OPA可以通过外围电阻配置为差分模式用于母线电流采样,运放的输出结果OP1OUT可接至COMP1 做硬件过流保护,COMP1内部可以设置不同的比较电平,一旦触发阈值,可直接封锁PWM信号。
当需要离线烧录程序时,通过GPIO19、GPIO32还有VDDIO和GND信号测试焊盘,借助进芯的离线烧录工具可实现快速的脱机烧录。


▲ 芯片及接口原理图
• 功率桥电路
功率桥电路采用上下管均为NMOS的配置,总计6个NMOS组成三相H半桥驱动电路。
单采样电阻0.001R,通过差分走线至ADM32F036A3Q的OP1的独立运放电路进行运放输入到芯片口采样进行运算。
▲ 功率桥电路原理图
• ADC母线电压采样电路
ADC采样母线采样电路,母线电压的值进行分压送到芯片AD口,参与到FOC的运算。

▲ ADC母线电压采样原理图
• 单电阻采样运放采样电路
通过内部独立运放OP1组进行差分运放15倍,送到A2口用做过流保护,送到A4口进行恒功率控制。
▲ 运放部分电路
• 电荷泵电路
集成的电荷泵无需外部自举电路,能提供 100%占空比支持。
▲ 电荷泵电路部分
• PWM/LIN通讯反馈电路
外部输入PWM/LIN信号,通过芯片内部集成的LIN收发器模块实现PWM/LIN通讯反馈和通过LIN_BUS和LIN_EN进行远程休眠唤醒功能。

▲ PWM/LIN通讯电路
方案描述
采用单电阻弦波,电路简单,成本低。无感FOC,功率闭环、速度闭环。各项保护齐全(过欠压、过流、堵转、缺相、功率)等特点。

▲ 200W ▲ 400W
产品参数
l电压:DC12V
l功率:40-400W
l多种保护措施:VDS保护、GDF保护、过流保护、短路保护、过压保护、欠压保护、堵转保护、缺相保护、功率保护、启动保护等。
本方案使用无感单电阻FOC算法,母线电压ADC检测,通过PWM/LIN进行控制不同的转速及故障反馈功能。拥有带载能力强、噪声小、波形控制稳定等特点。
技术支持
进芯电子可为客户提供以上方案的原理图、PCB参考板图、源代码、以及方案所对应的软硬件开发技术支持,需进一步了解方案详情,欢迎致电0731-88731027。

CN
EN


湘公网安备43019002002728号